Lüftungsanlagen - Kombigeräte

Der immer niedriger werdende Wärmebedarf für die Heizung von Gebäuden verlangt auch neue, innovative Heizsysteme.

Ein Wärmepumpen-System eignet sich  für die Beheizung, Lüftung bzw. Warmwasserbereitung eines Passiv- oder Niedrigenergiehauses. Die in einem Niedrigenergiehaus benötigte niedrige Heizleistung sowie die kontrollierte Wohnraumlüftung machen spezielle Wärmepumpen-Systeme notwendig. 

Beim Niedrigenergiehaus liegt der Wärmebedarf je nach Größe in der Regel zwischen 4 und 7 kW. Beim Passivhaus werden (sicherheitshalber) oft 2 bis 4 kW angenommen. Ölheizungen scheiden daher aus. Gasanschlüsse sind wegen des geringen laufenden Gasverbrauchs meist überproportional teuer.

Auch diese Marktübersicht (Geräte alphabetisch nach Hersteller sortiert)  lebt von Meldungen unserer Leser.

kombi.3.gif 

alphainnotec.jpg 

Gesamtprospekt   Download  (.PDF/ ~6,73 MB)
Technische Informationen   Download  (.PDF/ ~227 KB)

Bei der kontrollierten Wohnungslüftung

Kompaktheizzentrale KHZ-SW 50 / 70

als Multifunktionsgerät zum Heizen,

Lüften und für die Warmwasserbereitung.

 

Stand 12/2005 

zahlreiche neue Geräte verfügbar - Genehmigung zur Übernahme Texte und Bilder beantragt.

Die LLB Geräte zur Brauchwarmwasserbereitung bieten über eine Wärmepumpe die Möglichkeit, neben dem Lüften zusätzlich warmes Wasser über die Wärmerückgewinnung aus der Abluft bzw. Fortluft zu bereiten. Mit dem Gerät LLB 317 K kann optional auch die Kühlung der R

Räume im Sommer übernommen werden.

Komfort-Haustechnikzentrale - Alle Funktionen mit einem Gerät
Mit der Komfort-Haustechnikzentrale KHZ-SW50 bzw. KHZ-SW70 schlagen Sie mehrere Fliegen mit einer Klappe: Heizen, Warmwasserbereiten, Be- und Entlüften und optional sanft Kühlen mit dem als Zubehör erhältlichen Kühlpaket.

Die Komfort-Haustechnikzentrale wurde speziell für winddichte Niedrigenergiehäuser bzw. Häuser mit gut abgedichteter Gebäudehülle konzipiert. Denn neben der eigentlichen Beheizung und Brauchwarmwasserbereitung gewährleistet die Komfort-Haustechnikzentrale zugleich den erforderlichen Luftaustausch, ohne das ein zusätzliches Lüftungsgerät installiert werden muss.

Die Komfort-Haustechnikzentrale Erde/Wasser ist in zwei Leistungsklassen mit 5 kW und 7 kW erhältlich und eignet sich für eine maximale Heizwassertemperatur von +55 °C.
 
Produktprospekt   Download  (.PDF/ ~945 KB)
Technische Daten LLB   Download  (.PDF/ ~8,2 KB)

 

 

 

MaicoAEREX
Kompaktgerät AEREX der Fa. Maico, rechts geöffnet. Im Format von Kühl- oder Gefrierschränken: Warmwasserspeicher im hohen Teil, daneben Lüftungsgerät mit unten eingebauter Wärmepumpe und einem oben im Gerät sichtbaren Modul zur Wärmerückgewinnung aus der Abluft.

Erstmals werden alle haustechnischen Aufgaben effizient und wirtschaftlich von einem Kompaktgerät gelöst. AEREX bedeutet: Heizen, Lüften und Trinkwasser-Erwärmen in einem. Und alles ist flexibel kombinierbar. Auf kleinstem Raum wird mit hocheffizienter Wärme-Rückgewinnung und extrem niedrigem Energieverbrauch ein maximaler Komfort erreicht.

 

dimplexlogo.gif

  TrendActiv:
die Komfortlüftung mit integrierter Warmwasserbereitung und Außenluftvorerwärmung

Komfortlüften mit zentraler Ab- und Zuluft, Aussenluftvorerwärmung und Warmwasserbereitung. Das System TrendActiv bietet zusätzlich den Komfort einer Außenluftvorerwärmung. Die verbrauchte Abluft wird den Räumen entzogen und durch die gleiche Menge an frischer, sauerstoffreicher Luft ersetzt. 
Die Energie für die Warmwasserbereitung holt sich dieses System aktiv über das integrierte Wärmepumpenmodul. Wird diese Funktion nicht benötigt, kann die so gewonnene Energie für die aktive Nacherwärmung der
Luft genutzt werden. Standardisierte Luftverteilsysteme sind als montage-
fertige Zubehörpakete verfügbar

   Zentrales Wohnungslüftungsgerät mit Komfort-Wärmerückgewinnung
ZWP 260 S1 / ZWPK 260 S1

  •  
Standgerät zur mechanischen Be- und Entlüftung von Wohnflächen bis ca. 115-170 m2 einsetzbar (in Abhängigkeit vom erf. Luftwechsel)
  •  
bodenstehende Montage
  •  
kompakte Bauform erlaubt Geräteaufstellung z.B. Diele oder Abstellraum
  •  
Wärmerückgewinnung aus der Abluft über Kreuzstromwärmeaustauscher und nachgeschalteter Luft-/Luft-Wärmepumpe
  •  
Wärmepumpe sorgt für angenehme Zulufttemperaturen
  •  
integrierte Filterüberwachung
  •  
serienmäßig mit airtronic-Bedienstation inkl. Filterwechselanzeige
  •  
Stahlblechgehäuse wärme- und schallgedämmt, wärmebrückenfrei, weiß, einbrennlackiert
  •  
wartungsfreundlich durch einfach zu wechselnde Filter und zwei frontseitige Gerätetüren
  •  
ZWPK 260 S1 mit Ankühlfunktion für heiße Sommertage ausgestattet; Wärmepumpenumkehrbetrieb über airtronic-Bedienstation schaltbar

 

 

drexellogo.gif  drexel und weiss
Achstraße 42
A - 6960 Wolfurt
Tel. 05574 47895
Fax 05574 47895-4
office@drexel-weiss.at

  

Der Profi vor Ort. aerosmart s: Das einzige Kompaktaggregat für kleine Wohneinheiten und kleine Reihenhäuser. Höchste Energieeffizienz auf kleinstem Raum.

 

 

 

 

 

 

 

  

   

Schwäbisches Qualitätsprodukt, das in Eppingen hergestellt wird) EMB Effiziento. Preis: ca. 8500€ (bitte mit Herstellerangaben unter www.effiziento.com vergleichen, zudem findet sich im Gästebuch ein Eintrag der Fa. Koch, den Sie bitte beachten sollten)

Stand 12/2005: zahlreiche Neuerungen auf der Homepage von Effiziento vorhanden, zudem weitere gute Geräte

 

Lüftungsmodul

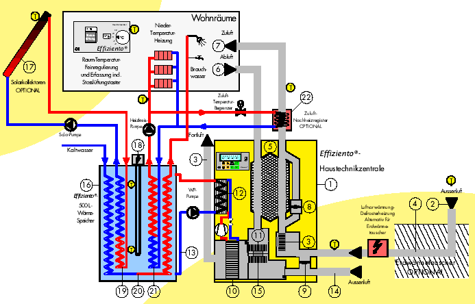
Die Effiziento®-Haustechnikzentrale (1) versorgt das Gebäude mit Zuluft und saugt die belastete Abluft ab. Über den Frischluft-Anschluss (2) wird mittels dem Radialventilator Zuluft (3) über einem im Erdreich verlegten Erdreichwärmetauscher (4) Aussenluft in das Gebäude angesaugt. Über den Erdreichwärmetauscher wird die Aussenluft im Winter vorgewärmt und im Sommer vorgekühlt. Die Frischluft wird durch den Gegenstrom-Kanalwärmetauscher (5) geleitet und entzieht der gegenströmenden Abluft (6) die Wärme (95% - 99%). Über das Zuluft-Kanalnetz gelangt die Frischluft in die Wohnräume als Zuluft (7). Im Sommer besteht die Möglichkeit die Frischluft am Gegenstrom-Kanalwärmetauscher vorbeizuleiten. Hierfür wird die Sommer-Bypassklappe (8) im Bypasskanal-Zuluft umgestellt. Mit dem Erdreichwärmetauscher-Bypass (9) kann die Frischluft-Zufuhr umgeschaltet werden. Die Frischluft-Zufuhr kann somit über den Erdreichwärmetauscher oder direkt über den Aussenluftanschluss erfolgen. Dadurch wird die Frischluft immer mit der optimalst möglichen Temperatur angesaugt. Mehr auf der Originalseite von Effiziento - lesen Sie weiter

 

 
 

Die HAUTEC Monoeinheit 3000 besteht aus einer Abluft Wärmepumpe und einer Sole-Wasser-Wärmepumpe. Sie kann ein Einfamilienhaus mit einer Heizleistung von ca. 6 bis 8 kW monovalent (ohne Zusatzheizung) beheizen. 

 

Die HAUTEC Abluft-Wärmepumpe nutzt die Wärme aus der Abluft zur Warmwasserversorgung und deckt einen Teil der Heizwärme ab. Die fehlende Heizwärme wird von der in der Monoeinheit integrierten Sole-Wasser-Wärmepumpe in Verbindung mit einem Erdwärmekollektor vollständig bereitgestellt.

Ähnlich interessant wie die Nibe ( s.o.)

 

 

 

Helios Trio  Heizen, Lüften und Warmwasserbereiten

Helios Trio Kurzvorstellung (PDF)

Helios Trio Detailinfo (PDF)

 

Komfortabel und wirtschaftlich
Helios Trio erfüllt die drei Funktionen Heizen, Lüften und Warmwasserbereiten und ist ideal  für den Einsatz im Niedrigenergie- und Passivhaus geeignet.

Das Prinzip
Als Wärmequellen dienen die Abluft sowie ggf. der Außenluftvolumenstrom. Die gewonnene Wärme wird in den integrierten Brauchwasserspeicher übertragen, der mit dem HeizungsPufferspeicher verbunden ist. Dieses einzigartige System ermöglicht eine Wärmeübertragung von 1 kW an die Heizung und kann bei Bedarf das Nachheizregister des Lüftungsmoduls versorgen. 

Sparsam und umweltfreundlich
Durch den kombinierten Einsatz von Wärmepumpe, Wärmerückgewinnung und Solarkollektor wird der Energiebedarf bis zu 2/3 aus kostenlosen und erneuerbaren Energien gedeckt. Dies macht Trio besonders sparsam und umwelt-
freundlich. Ferner wird die zukunftssichere Lösung durch attraktive Förderprogramme zu einer Investition, die sich rechnet.

 

 

 

http://www.scandinavia-immobilien.net/
Fighter 315 P 

Mechanische Entlüftungs-
anlage
mit dezentraler
Außenluftnachströmung
mit Wärmepumpe
Abluft/Warmwasser/Heizung

Fighter 410 P

Mechanische Be- und Entlüftungsanlage
mit Wärmepumpe.
Abluft/Heizung/Zuluft/ Warmwasser

 

Die Nibe 315 passt nicht ganz in die Übersicht. Sie ist aber ein interessantes Gerät, auch wenn sie in den Bauforen oft keinen guten Stand hat. Als Entlüftungsanlage entzieht sie der Abluft die Heizwärme und führt die Wärme zurück ins Gebäude. Offiziell schreibt der Hersteller, dass die Zuluft dezentral zugeführt werden muss. 

Da das Gebäude durch die Anlage auf Unterdruck gehalten wird, spielt die bei zentralen Lüftungsgeräten notwendige Dichtheit des Gebäudes eine geringere Rolle. "Bausünden werden belohnt", dezentrale Ritzenlüftung durch schlampige Herstellung wirken sich nicht mehr so gravierend auf die Wärmeverluste aus, da die Ritzen als dezentrale Zuluftventile fungieren können.  

 

 

 

   http://www.ochsner.de/3in1.htm
ochnercombi.gif  OCHSNER hat eine neue, betriebsfertige Wärmezentrale aus drei Elementen entwickelt. Die neue Combi-Patent 3in1® erledigt Heizung, Warmwasser und Lüftung 

Typenübersicht Combi-Patent 3in1

Prospekt Combi-Patent 3in1 (PDF-Format)

Combi-Patent 3in1


Wärmequelle Abluft/Luft (Leistung bei L21/W15-55)

Gerät

Heiz-
leistung
(WRG%)

Leistungs-
aufnahme

Netzan-
schluss

Arbeits-
mittel

Verdichter

Warm-
wasser-
speicher

Volumen-
strom-
Luft

Elektr.
Zusatz-HZ
Warm-
wasser

Elektr.
Zusatz-HZ
Puffer
Option

Elektr.
Register
Zuluft
Option

Abmessungen
(HxBxT)

Gewicht

 

[kW]

[kW]

[V]

 

 

[l]

[m³/h]

[kW]

[kW]

[kW]

[mm]

[kg]

Combi CP 320

2,4

0,63

230

R 134a

Vollherm. Hubkolben

200

250 bis 400

1,8

4,5 - 6 - 7,5

--

1720x695x695

145

Combi LM 242

bis 80%

0,54

230

--

--

--

100 bis 300

--

--

1

550x400x695

35

 

 

 

markt/kwl/paullogo.gif   Prospekt-Download
Technische Daten
Funktionsweise
compakt.jpeg Ähnlich aufgebaut wie die oben beschriebene Lüftungsanlage von EMB ist die 350 CC der Fa. Paul, allerdings nur ähnlich.  Preis ca. 9200€ (bitte wieder mit Herstellerpreisliste unter www.paul-lueftung.de vergleichen).

Das offene Gerät (siehe auch Effiziento) zeigt die Vorzüge dieser Haustechnikzentrale. Grosse Wärmetauscher für entsprechende Leistungszahlen, ebenso ein grosses Wärmepumpenaggregat sorgen für entsprechende Ergebnisse.

 

kombi.2.gif  

 

TECHNISCHE BESCHREIBUNG
 
Das Gerät dient zur Lüftung, Wärme- und Warmwasserversorgung in Passivhäusern und Niedrigenergiehäusern (3-Liter-Häusern). Die Außenluft für die Wärmepumpe und die Luft für die Hausbelüftung treten über einen gemeinsamen Ansaugstutzen in das Gerät ein. Die Trennung der Luftströme erfolgt im Gerät unmittelbar nach dem Außenluftfilter (Pos.1). Der Außenluftstrom wird vom Außenluftventilator (Pos.2) über den Wärmetauscher (Pos.5) oder über einen Sommer-Bypass (Pos.6) in die Wohnräume geblasen. Die Be- und Entlüftung der Wohnung erfolgt wie bei allen zentralen Lüftungsgeräten mit Wärmerückgewinnung über Zu- und Ablufträume. Die aus der Wohnung abgesaugte Abluft gelangt über den Abluftfilter (Pos.7) in den Wärmetauscher, in dem die Wärmeenergie an den Außenluftstrom abgegeben wird.
 
Die Besonderheit liegt im Einsatz des hocheffizienten Gegenstrom-Kanal-Wärmetauschers (bis zu 99% Wärmerückgewinnung, Pos.5) zur Wärmerückgewinnung. Die Fortluft nach dem Wärmetauscher wird im Kompaktgerät mit Außenluft gemischt (Pos.3) und über den Verdampfer (Pos.10) der Wärmepumpe geleitet. Dort wird ihr die Restwärme entzogen. Über den Wärmepumpen-Prozess wird die Kondensationswärme im Kondensator (Pos. 11) an das Heizungswasser (Pos.13) mittels Plattenwärmetauscher abgegeben

 

 

../waermepumpe/markt/sparteclogo.gif"  

SPARTEC® bravour (L) ...preisverdächtig? Preisträger 
bravour.jpg      bravour.jpg Kompakt in Einem: Heizung und  Warmwasserbereitung und  aufgesetzte Lüftung, selbstverständlich mit Abluftwärmerückgewinnung (Zusatzmodul)  Kühlung (Zusatzmodul)  Solaranschluss (Zusatzmodul) ... effektive Vielseitigkeit - kein Wunsch bleibt offen. Die SPARTEC®-Kompaktwärmepumpe bravour ist eine Neuentwicklung und vereint alle erforderlichen Komponenten für eine Heizungs- und Warmwasserbereitungsanlage. Sie genügt höchsten Ansprüchen vom Design und ist sehr installationsfreundlich. Trinkwasserspeicher, Umwälzpumpen, Ausdehnungsgefäß(e), Sicherheitsbaugruppen und weitere Komponenten sind im Lieferumfang enthalten. Die erforderlichen Anschlüsse können wahlweise von rechts, links oder unten zugeführt werden. Ideal für den Installateur! Ausgezeichnet mit dem VR-Technologiepreis Handwerk 2002! Die SPARTEC® bravour -Reihe ermöglicht die Deckung des Heizwärmebedarfs ohne direkte elektrische Zuheizung! Eine elektrische Schnellheizung ist serienmäßig enthalten, um einen Legionellenschutz für den Trinkwasserspeicher und auf Wunsch eine Heizungsunterstützung realisieren zu können. Für die direktverdampfende Kompaktwärmepumpe kann anstelle von Erdabsorbern auch ein Luftverdampfer außerhalb des Hauses verwendet werden. Eine solche Splitt-Anlage bietet sich gerade bei geringem Platzangebot im Grundstück an. Die Maße der bravour sind dem Mobiliar (z.B. einem Regal) angepasst. Damit lässt sie sich sehr gut integrieren. Optimal für den Nutzer! So sorgt SPARTEC®- Technik rundum für ein wohliges Klima im Haus

 

 

markt/kwl/tecalorlogo.jpg    THZ 303 Integral

THZ 303 SOL  über Stiebel Eltron 

tecalor.jpg   Zentrales Lüftungssystem mit Wärmerückgewinnung.
THZ 303 Integral
/ THD 400 AL / THZ 403/303 SOL


Lüften Heizen und Warmwasser bereiten.


Das Integralsystem THZ 303 Integral be- und entlüftet Wohnungen und Einfamilienhäuser. Gleichzeitig wird warmes Wasser in einem 200l Speicher bereitgestellt sowie die Heizung über eine Luft/Wasser- Wärmepumpe versorgt.
Über den Kreuzgegenstrom-Wärmeaustauscher wird bis zu 90% der Abluftwärme auf die Zuluft übertragen. Zwei energiesparende Gleichstrom-Ventilatoren regeln unabhängig voneinander den Volumenstrom. Mit der integrierten Regelung können Zeitprogramme für Lüftung, Warmwasser und Heizung eingestellt werden. Die Zu- und Abluft wird durch Filter der Filterklasse G3 gereinigt.

Prospekt
THZ 303 Integral
 

 

 

zehnderlogo.gif  
LUFTVERTEILSYSTEME
PP010 Das Luftverteilsystem Comfofresh
  AUSSENLUFT-AUSTAUSCHSYSTEME Comfofond
PP080 Erdwärmetauscher Comfofond und Comfofond-L
  LÜFTUNGSGERÄTE Comfoair
PP100 Lüftungsgerät Comfoair G90- G91
PP102 Lüftungsgerät Comfoair 500
PP110 Lüftungsgerät Comfoair Monostar
Wird Zehnder Comfosystems als komplette Energiezentrale eingesetzt, bildet die Comfobox das Herzstück: Die kompakte Energie-Einheit mit schallgedämmtem Gehäuse steuert Heizung, Lüftung, Warmwasser-Versorgung und Kühlung. Sie integriert: Sole-Wasser-Wärmepumpe mit 4-10 kW Leistung, das Lüftungsgerät Comfoair V350, 300-l-Brauchwasser-Speicher, hochkomfortable Kühlfunktion mit geringem Energieverbrauch und Heizstab zum Nacherwärmen des Brauchwassers inklusive Steuerung. Alles hydraulisch und elektrisch fertig angeschlossen für hohe Montage-Sicherheit. Comfobox. Heizung, Lüftung, Warmwasser-Versorgung und Kühlung in einem. Lieferung betriebsbereit. Wartungsarm und kinderleicht zu bedienen.

 

Kompaktgeräte

Bau Info Center Lüftungstechnik, Tel. 073 87 / 16 381

CaldynApparatebau GmbH, Nobelstr.6, D-76275 Ettlingen, Tel. 072 43 / 54 03-0

Effiziento: EMB Wohnbau und Projektmanagement GmbH , Sulzbergring 32, D-74336 Brackenheim, Tel. 071 35 / 98 82-0

Helios Ventilatoren GmbH + Co., Postfach 50 36, D-78057 Villingen-Schwenningen, Tel. 077 20 / 606-0  Fax. 077 20 / 606-166

Maico Haustechniksysteme, Steinbeisstr. 20, D-78056 Villingen-Schwenningen, Tel. 077 20 / 694-370

 [ WRG-90-Thermos-200-DC] Paul Wärmerückgewinnung, Vettermannstr. 1 - 5,  08132 Mülsen St. Jakob, (komplette Anlage: Lüftung mit Wärmerückgewinnung + Brauchwasser mit Wärmepumpe), Tel. 037 601 / 390-0  Fax. 037 601 / 25 845

(verfügbar ab 2003) Viessmann Werke GmbH & Co., D-35107 Allendorf/Eder, Tel. 064 52 / 70-0  Fax. 064 52 / 70-27 80
 
Wölfle Lüftungstechnik , Biberacherstr. 63, D-88416 Ochsenhausen, Tel. 073 52 / 929-0  Fax. 073 52 / 929-139

Zimmermann GmbH & Co.KG, Zu Hildringhausen 31, D-57462 Olpe, Tel. 027 61 / 96 41-0  Fax. 027 61 / 96 41-99

 

www.bauweise.net